森林舞会官网-追求康健,你我一起生长
首页
企业资质与概况
新闻中心
企业文化
投资者关系
人才招聘
公示栏
联系森林舞会官网-追求康健,你我一起生长
EN
公司营业板块
目今位置:
网站首页
>
公司营业板块
>
煤化工领域
新质料领域
都会公共效劳领域
高级碳质料领域
煤化工领域
煤基清洁能源领域
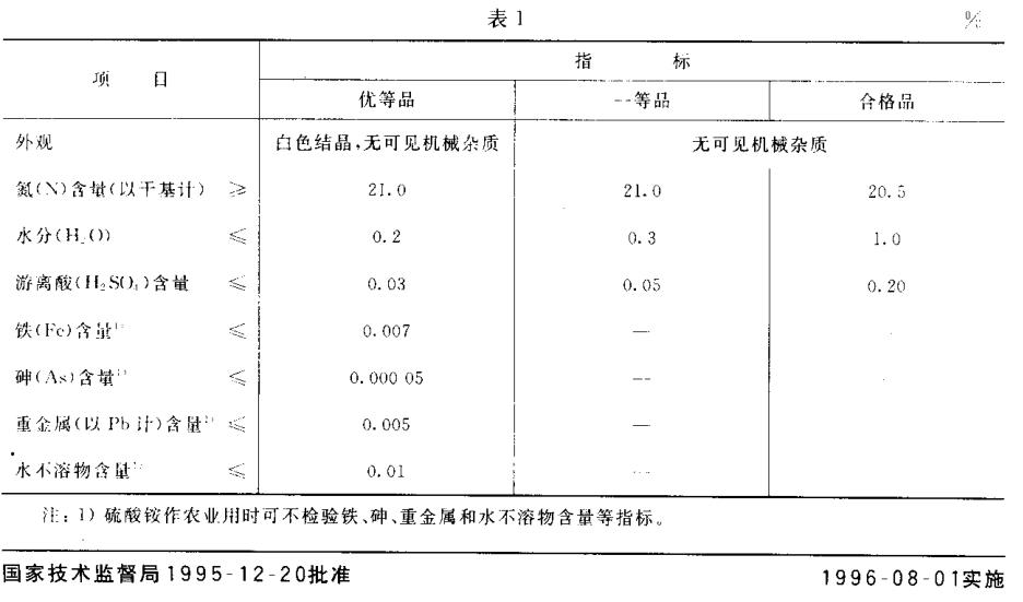
硫酸铵
硫酸铵执行及格品
0464-2924567
分享到:
规格参数
硫酸铵执行及格品
性能表征
硫酸铵执行及格品
?
企业资质与概况
公司概况与资质信息
企业愿景
股份机构
新闻中心
公司新闻
行业新闻
公司营业板块
新质料领域
都会公共效劳领域
高级碳质料领域
煤化工领域
煤基清洁能源领域
企业文化
生长理念
社会责任
员工风貌
投资者关系
暂时通告
按期通告
董监高
投资者教育
联系森林舞会官网-追求康健,你我一起生长
电话:+86-0464-2924567
传真:+86-0464-8346345
地点:黑龙江省七台河市新兴区森林舞会官网-追求健康,你我一起成长路16号
效劳号二维码
订阅号二维码
Copyright ? 2014-2020 森林舞会官网-追求健康,你我一起成长 黑ICP备13000448号-1
黑公网安备23090002000105
【网站地图】
【sitemap】